-
돌입전류 대책 (inrush current)Automotive 2024. 1. 9. 01:54반응형
모터 제어나 램프 제어 등 부하에 전류를 인가하는 순간 제어기 내부의 캐패시터를 충전하기 위해서 초기에 과도한 전류가 유입된다. 이를 돌입전류 (Inrush current)라 한다. Inrush current는 일반적으로 정상상태 전류 대비 몇 배의 전류가 흐르기 때문에 적절한 회로를 포함하지 않을 경우 아래처럼 전원 접촉시 스파크가 튀거나 메인 제어기에서 전원을 공급하는 경우 메인 제어기내에 전원 공급 회로가 파손될 수 있다.
https://www.youtube.com/watch?v=SVLGHB2IxxU
Inrush current 대응 회로에는 passive circuit과 active circuit 방법이 있다.
1. Passive
- Resistor
- Inductor
- NTC
2. Active
- MOSFET
- MOSFET + Power Resistor
Inrush current에 의해서 Fuse가 blow되는 경우 Fuse의 용량을 올리거나 Slow blow Fuse를 사용할 수 있다. Fuse의 용량을 변경하는 경우 그에 맞게 와이어링 및 와셔 등 연결 부위에 대한 전류 용량도 고려해야 한다.
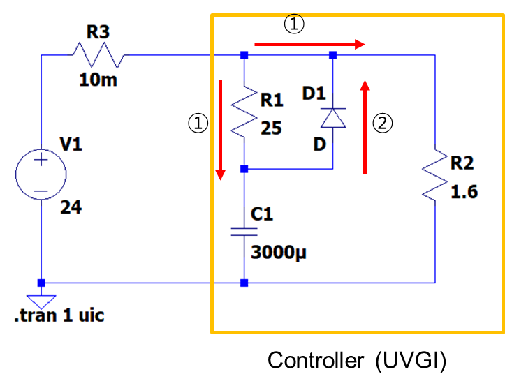
1.1 Resistor + Diode
다이오드와 저항이 병렬로 연결되어 있고, 캐패시터가 직렬로 연결되어 있다. 초기에 전원이 연결되는 경우 전류는 R1에 의해서 제한된다. 이로써 inrush current가 줄어들게 된다. 충전된 캐패시터는 전압 평활을 위해서 또는 순간 부하 전력 공급을 위해서 사용된다. 이떄는 다이오드를 통해서 캐패시터에 충전된 전력이 부하에 공급된다.

1.2 Inductor
인덕터의 경우 전류의 급격한 변화를 방해하려는 성질을 가지고 있다.
인덕터는 온도가 상승할 경우 인덕턴스 성분이 작아지는데 특히 방수를 위해서 heat tube를 사용하거나 고온 환경에서 사용할 경우 온도 변화에 의한 인덕턴스 성분 변화를 설계시 고려해야 한다.

1.3. NTC
Negative Temperature Coefficient는 초기에는 큰 저항을 가지고 있다가 온도가 상승할 경우 급격히 저항 성분이 낮아지는 특성을 가지고 있다. 초기에 발생하는 inrush에 적용하기 좋은 특성을 가지고 있다.
그러나 온도가 올라간 상태에서 회로를 off후에 다시 on 하는 경우 NTC의 저항 성분이 매우 낮기 때문에 inrush가 발생할 수 있다. 잦은 시스템 on/off가 필요하거나, 임의로 또는 실수로 on/off 하는 NTC는 inrush current에 대한 적절한 대책이 될 수 없다.


2. Active
2.1 MOSFET
MOSFET는 Vgs가 Vgs(th)보다 낮은 경우 Linear region에서 동작하고 Vgs가 Vgs(th)보다 큰 경우는 Saturation 영역에서 동작하는 특성을 이용한다. 초기 기동 상태에서는 linear region에서 저항과 같은 역할을 하고 saturation region으로 넘어가는 경우 매우 낮은 저항을 가지고 있기 때문에 inrush current에 대한 대응으로 적절한다. 회로 설계시에 부하의 inrush current 동작시간을 고려하여 linear region의 동작 시간이 설계되어져야 한다.
MOSFET의 경우 내부 Rds_on이 매우 낮기 때문에 Passive 방법 보다 부하로 흐르는 전압 drop 또는 손실을 최소화할 수 있다.

LTspice를 이용하여 시험한 결과, FET단의 gate단 전압의 time constant를 조절하는 경우 inrush current의 변화를 확인할 수 있다.


2.2 FET + Power resistor
FET와 저항을 병렬로 연결하여 사용한다. FET는 주로 saturation region에서 동작한다. 저항에 의해서 inrush current가 제한되고, 캐패시터가 충전이 완료된 경우 FET를 on할 수 있다.
※ PWM (soft start)
PWM에 의한 soft start를 적용하는 경우, 캐패시터로 흐르는 전류는 전압의 변화(dv/dt)에 의해서 정해지고, PWM 듀티를 조절하더라도 전압 변화에는 변동이 없기 떄문에 Inrush current를 줄이지는 못한다.



추가 정리할 것
https://sound-au.com/articles/inrush.htm
Inrush Current
Copyright Notice. This article, including but not limited to all text and diagrams, is the intellectual property of Rod Elliott (Elliott Sound Products), and is © 2010 - all rights reserved. Reproduction or re-publication by any means whatsoever, whethe
sound-au.com
출처: https://polyno.tistory.com/pages/돌입전류-대응-Inrush-current [For the new world:티스토리]
반응형'Automotive' 카테고리의 다른 글
Fuse 선정 가이드 (2) 2024.02.04